-
Article épuisé
Per cavalcare, volare, navigare, tutto è disponibile presso MHD!
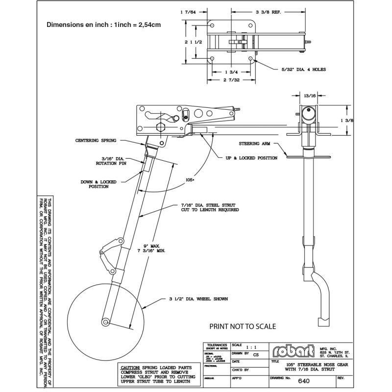
Accessoire embarqué TRAIN RENTRANT PNEUMATIQUE AVANT 11,5Kg


contact@mhd.eu
4.6/5
